一、產品簡介
法蘭式壓力變送器高精度力敏芯片,經激光調阻和一定的信號處理,輸出工業標準的4~20mA信號。
法蘭式壓力變送器主要適合對粘稠介質壓力的測量。傳感器平膜結構可防止粘稠液體堵塞、結垢及不衛生等情況發生。傳感器連接接口有螺紋式、卡箍式、法蘭式可選。 該變送器可廣泛應用于石油、化工、煤礦、醫藥、食品、輕紡等領域對氣體、液體壓力自動化測量與控制。
二、技術性能
量 程 范 圍 | -100…0~35…100(KPa) |
0~1、2、20…60(MPa) | |
過 載 壓 力 | ≤ 200%FS |
測 量 介 質 | 與 316L不銹鋼兼容的各種粘稠介質 |
輸 出 信 號 | 4~20mA 二線制 |
0~5VDC 三線制 | |
供 電 電 壓 | 12~36VDC (標定值為+24VDC) |
精 確 度 | ±0.2%F.S ±0.3%F.S ±0.5%F.S |
長 期 穩 定 性 | ≤±0.2%F.S/年 |
介 質 溫 度 | - 20~+85℃ |
響 應 時 間 | ≤1ms |
壓 力 接 口 | 法蘭式 |
電 氣 接 口 | 赫斯曼接頭、接線端子 |
防 護 等 級 | IP65 |
三、產品特點
●316L不銹鋼隔離膜片結構
●平膜設計適合多種粘稠介質
●高精度、高穩定性
●法蘭連接,便于安裝
●具有零點、滿量程可調
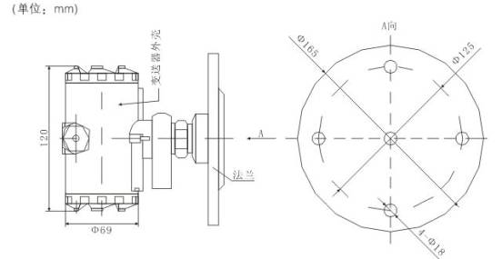
四、外形結構

五、產品選型
HD3851-1151 | 平膜型壓力變送器 | ||||||
G | 表壓 | ||||||
A | 絕壓 | ||||||
0~X( KPa或MPa) | 量程 | ||||||
J02 | ± 0.2%FS | ||||||
J03 | ± 0.3%FS | ||||||
J05 | ± 0.5%FS | ||||||
C1 | 4~20mA輸出 | ||||||
C2 | 0~5VDC輸出 | ||||||
C0 | 特殊 | ||||||
M5 | 法蘭連接 | ||||||
M0 | 特殊 | ||||||
F1 | 赫斯曼接頭出線 | ||||||
F5 | 接線端子出線 | ||||||
F0 | 特殊 | ||||||



客服1